
www.taixinjsj.com
硬齿面减速机主要包括平行轴系列和垂直轴系列,平行轴减速机是按国家标准(生产,产经优化设计,具有国际八十年代先进水平,它主要包括ZDY(单级)、ZLY(两级)、ZSY(三级)和ZFY(四级)四大系列,垂直轴减速器是按国家标准生产,用于输入轴与输出轴呈垂直方向布置的传动装置,它主要包括DBY、DCY和DFY三大系列。
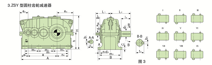
ZSY280型减速机包括:ZSY160,ZSY180,ZSY200,ZSY224,ZSY250,ZSY280,ZSY315,ZSY355,ZSY400,ZSY450,ZSY500,ZSY560,ZSY630,ZSY710。
ZSY280减速机性能:在相同的传动比情况下,采用齿轮传动可以适当增加传动级数,方能达到预期的速比,但是蜗轮付由于受其安装形式(蜗轮付受润滑条件所限只能水平安装)的影响,只能采用巨大的箱体结构。
无论是硬齿面减速机还是二次包络蜗轮副,先进合理的设计、高精度的制造、组装、全面的性能检测保证外,正确的装配才是保证齿轮箱长寿命、安全可靠工作的重要环节
齿轮减速器应用范围:
广泛应用于大型矿山,钢铁,化工,港口,环保等领域。与K、R系列组合能得到更大速比。
1、可靠的工业用齿轮传递元件;
2、可靠结构与多种输入相结合适应特殊的使用要求;
3、有高的传递功率的能力而结构紧凑,齿轮结构根据模块设计原理确定;
4、易于使用和维护,根据技术和工程情况配置和选择材料。